
- Ultrasonic flowmeter
- YTC Valve Positioner-South Korea
- HKC-South Korea
- TISSIN VALVE POSITIONER-KOREA
- Siemens
- Fiber optic
Latest news
Contact us
- ADD: No.1111 Laian Center, Road Yanzhan, Qujiang New District, Xi'an City, Shanxi Province, China
- TEL: 86-029-83519400
- FAX: 86-029-83519400
- WhatsApp: +8619991466380
- Skype: JennyChou-China
- E-mail: Padishahtech@126.com
7MF433 SITRANS DS III pressure transmitters
- High quality and service life
- Differential pressure
- Gauge pressure
- Absolute pressure
- Product description: SITRANS P DS III pressure transmitters are digital pressure transmitters featuring extensive user-friendliness and high accuracy.
Product introduction
The parameterization is performed using control keys or via HART, PROFIBUS-PA or FOUNDATION Fieldbus interface. Extensive functionality enables the pressure transmitter to be precisely adapted to the plant’s requirements. Operation is very simple in spite of the numerous setting options.
Transmitters with type of protection "Intrinsic safety" and "Explosion- proof" may be installed within potentially explosive atmospheres (zone 1) or in zone 0. The transmitters are provided with an EC type examination certificate and comply with the corresponding harmonized European standards (ATEX).
The transmitters can be equipped with various designs of remote seals for special applications such as the measurement of highly viscous substances.
for measuring:
• Gauge pressure
• Absolute pressure
• Differential pressure
• Level
• Volume level
• Mass level
• Volume flow
• Mass flow
■Benefits
• High quality and service life
• High reliability even under extreme chemical and mechanical loads
• For aggressive and non-aggressive gases, vapors and liquids
• Extensive diagnosis and simulation functions
• Separate replacement of measuring cell and electronics without recalibration
• Minimum conformity error
• Good long-term stability
• Wetted parts made of high-grade materials (e.g. stainless steel, Hastelloy, gold, Monel, tantalum)
• Infinitely adjustable span from 0.01 bar to 700 bar (0.15 psi to 10153 psi) for DS III with HART interface
• Nominal measuring range from 1 bar to 700 bar (14.5 psi to 10153 psi) for DS III with PROFIBUS PA and
FOUNDATION Fieldbus interface
• High measuring accuracy
• Parameterization over control keys and HART or PROFIBUS PA, or FOUNDATION Fieldbus interface.
■Application
The pressure transmitters of the DS III series, can be used in industrial areas with extreme chemical and mechanical loads. Electromagnetic compatibility in the range 10 kHz to 1 GHz makes the DS III pressure transmitters suitable for locations with high electromagnetic emissions.
Pressure transmitters with type of protection "Intrinsic safety" and "Explosion-proof" may be installed within potentially explosive atmospheres (zone 1) or in zone 0. The pressure transmitters are provided with an EC type examination certificate and comply with the corresponding harmonized European standards
(ATEX).
Pressure transmitters with the type of protection "Intrinsic safety" for use in zone 0 may be operated with power supply units of category "ia" and "ib".
The transmitters can be equipped with various designs of remote seals for special applications such as the measurement of highly viscous substances.
The pressure transmitter can be programmed locally using the 3 control buttons or externally via HART or PROFIBUS PA or FOUNDATION Fieldbus interface.
Parameterization DS III
Depending on the version, there are a range of options for parameterizing the pressure transmitter and for setting or scanning the parameters.
Parameterization using the input buttons (local operation) With the input buttons you can easily set the most important parameters without any additional equipment.
Parameterization using HART
Parameterization using HART is performed with a HART Communicator or a PC.
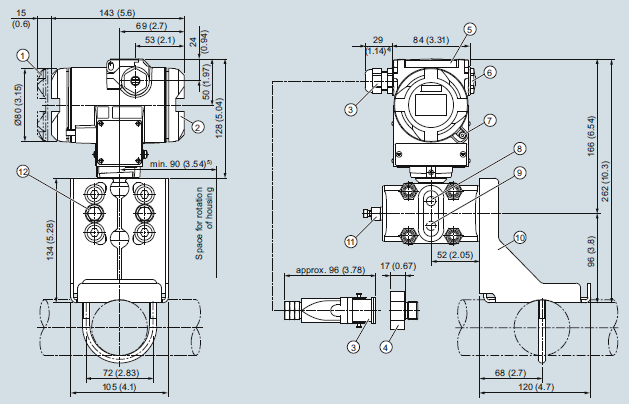
■Dimensional drawings





JennyChou-China